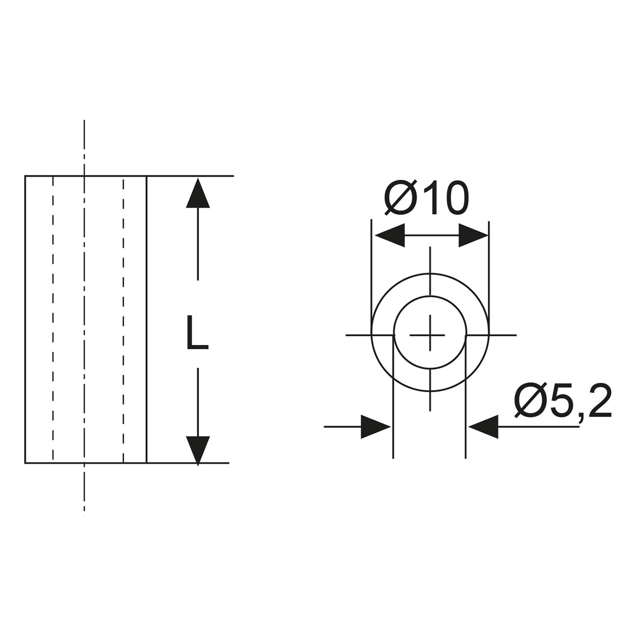
Plastic Distance Sleeves 5,2 / 10 mm

Distance Sleeves for various applications. Standard length in mm. Other lengths on request.

Material:
Polystyrene
Heat resistance:
70ºC
Colour:
Black RAL 9005