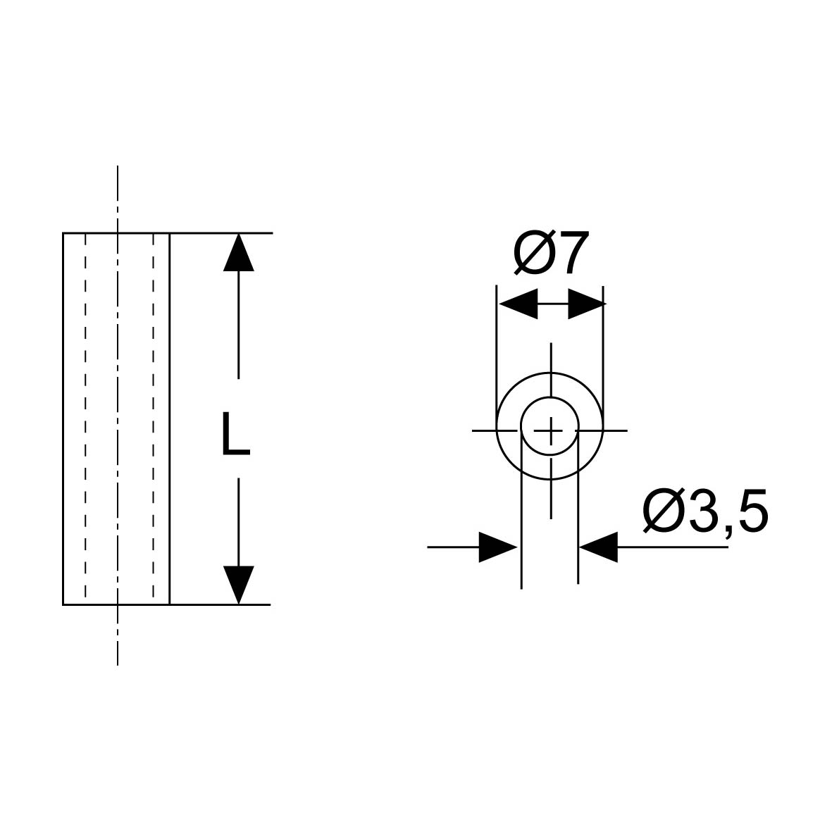
Plastic Distance Sleeves 3,5 / 7 mm

Distance Sleeves for various applications. Standard length in mm. Other lengths on request.

Material:
Polystyrene
Heat resistance:
70ºC
Colour:
Black RAL 9005