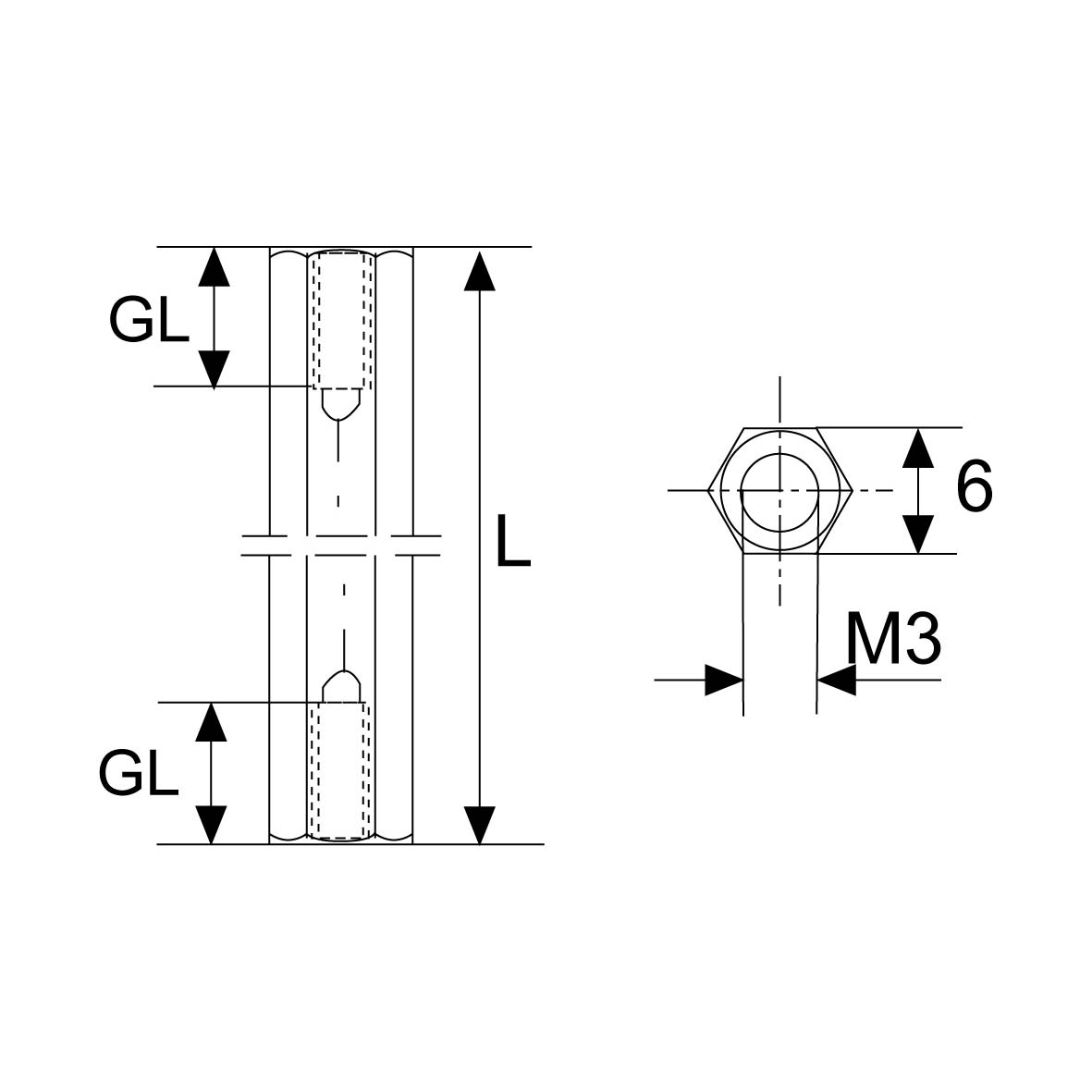
Distance Bolts Metal M3

Distance Bolts for various applications. Standard length in mm. Other lengths on request.

Material:
Galvanized steel
Tolerance lenght:
+/- 0,1 mm