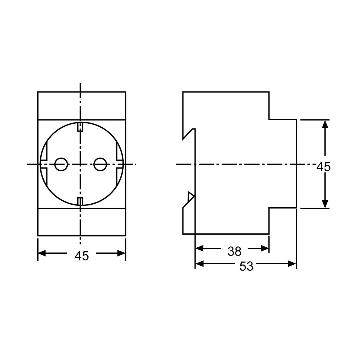
Installation socket outlet 16A

Installation socket outlet for assembly on DIN-rail or in Distribution Boards.
Manufactured acc. to DIN 49 440.

Rated voltage:
250 V
Rated current:
16A
Module width:
2,5 modules
Ingress protection:
IP00
Mode of protection installed:
IP30