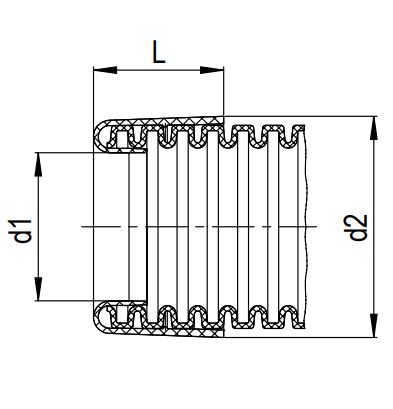
Conduuit terminal sleeves

Conduit termination where no fitting is required
Materials: High-grade, specially formulated polyamide 6
Conforms to:
EN 45545-2 HL3 (R22 & R23)
NFPA 130, UL 94 (V0)
Temperature: – 50 ... + 105 °C
Fits both conduit profiles - fine (T) and coarse (G)

Material:
Polyamide 6
Temperature range:
-50°C....+105°C
Colour:
Black

External links