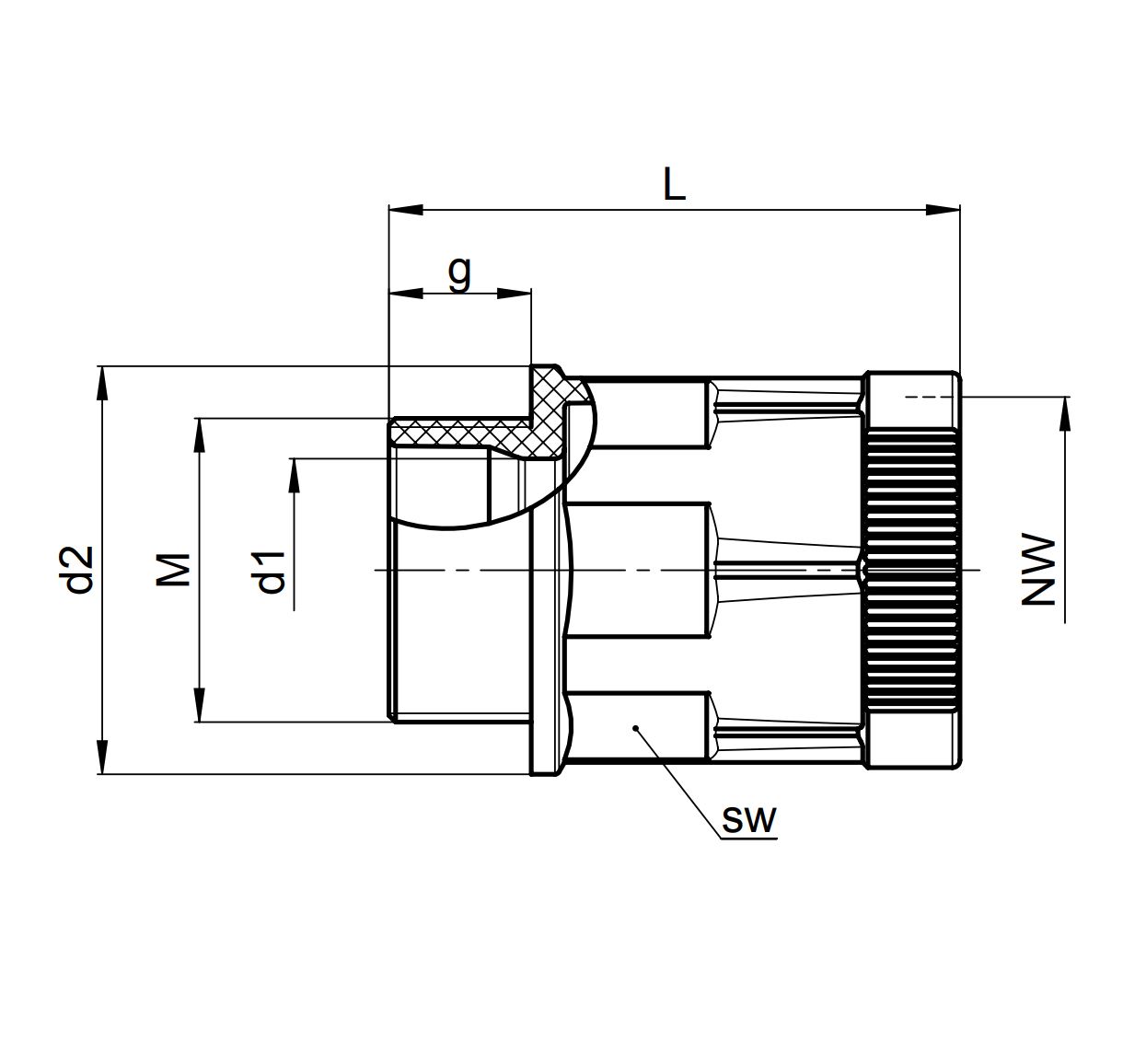
Straight, IP69, metric thread

Very high impact resistance
FDA 21 CFR / EU 10/2011 compliant polyamide 6 material
Ecolab certificate
NSF14159-1; NSF169 (application areas - splash zone)
UL Recognition according to UL1696 (file E80294)
Excellent conduit pull-out strength
Fits both conduit profiles - fine (T) and coarse (G)
RoHS and REACH compliant
Free from halogens and cadmium

External links