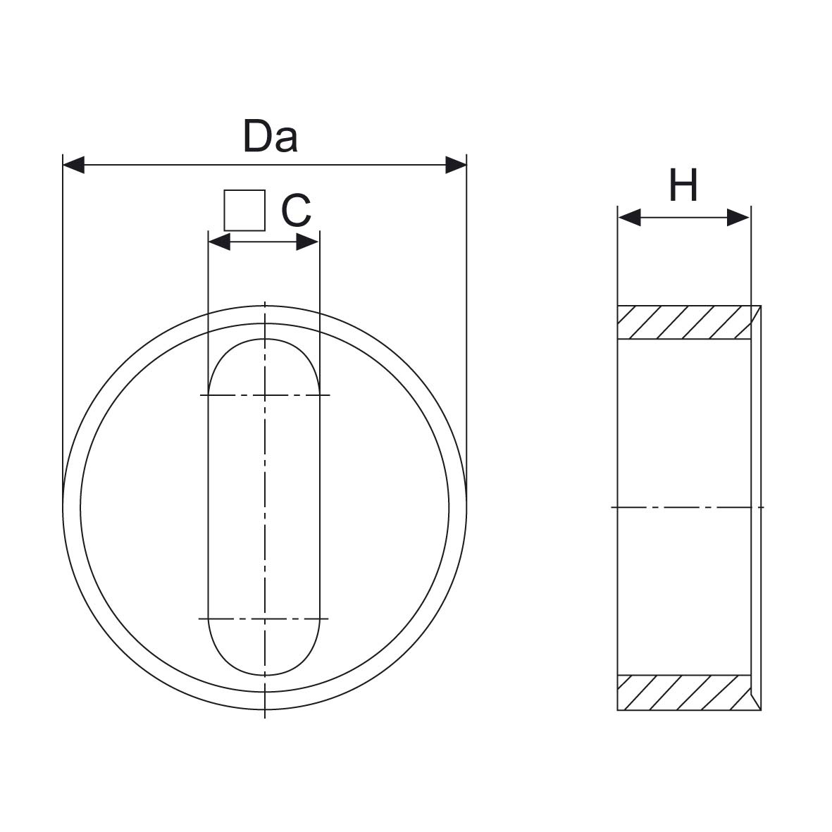
Sealing insert for flat cables Metric
Sealing insert for chemfered cables.
Assembled in ”PERFECT” metric plastic- and metal cable glands.
Suitable for Cable Glands from the E-no. series below.
Polyamide: 1476103-, 05-09, 1476113-18, 1476123-29, 1475903-08, 1476163-68, 1475913-18, 1476172-77, 1476262-64
Nickel-plated brass: 1476003-08, 1476013-18, 1475703-08, 1473203-09, 1473213-19
Stainless Steel: 1475056-61
Protection grade:
IP66 if the outer dimensions of the cable match the slot dimensions "C".
IP54 for cable dimensions between "C" & "C min" in table below.
| Article | Polyamide "C min" | Ni-plated Brass / Stainless Steel "C min" |
| 1466623 | 2 x 8 | 2 x 9 |
| 1466624 | 2 x 10 | 2 x 11 |
| 1466625 | 3 x 12 | 3 x 13 |
| 1466626 | 3 x 19 | 3 x 17 |
| 1466627 | 4 x 23 | 4 x 24 |
| 1466628 | 6 x 32 | 5 x 33 |
Material:
TPE TPS
Temperature range:
-30°C....+100°C
Colour:
Black RAL 9005
Halogen-Free:
Yes